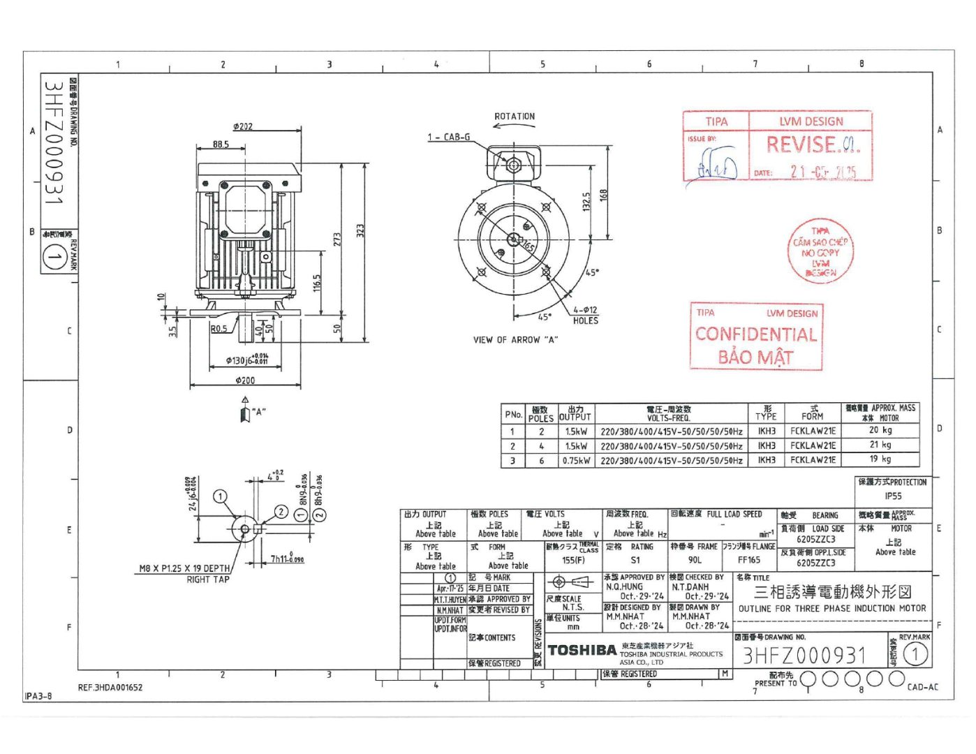
Động Cơ Điện TOSHIBA IE3 0.75kW 6 Cực Mặt Bích
Tổng quan về động cơ điện toshiba ie3 0.75kw 6 cực mặt bích
Động Cơ Điện Toshiba IE3 0.75kW 6 Cực Mặt Bích là motor điện công nghiệp đạt chuẩn IE3 hiệu suất cao, thiết kế để vận hành bền bỉ và tiết kiệm năng lượng.
Sản phẩm được sản xuất trực tiếp tại nhà máy Toshiba Industrial Products Asia (TIPA) – Việt Nam, với 100% vốn đầu tư từ Tập đoàn Toshiba – Nhật Bản, thừa hưởng trọn vẹn công nghệ tiên tiến, quy trình kiểm soát chất lượng nghiêm ngặt và khả năng tùy biến linh hoạt theo từng yêu cầu vận hành, thiết bị hoặc ngành công nghiệp cụ thể.
Hai phương pháp lắp đặt động cơ điện Toshiba IE3 0.75kw 6 Cực Mặt Bích
1. Phương pháp lắp đặt khớp nối
- Bôi trơn khu vực kết nối của khớp nối bằng dầu bôi trơn và sử dụng búa nhựa để đóng chặt khớp nối.
- Kiểm tra hướng quay của động cơ và của thiết bị tải.
- Căn giữa tâm để trục của động cơ và trục của thiết bị tải tạo thành một đường thẳng đồng trục, tránh rung lắc.
- Bảo vệ khớp nối phù hợp với hướng dẫn sử dụng của khớp nối.
2. Phương pháp lắp đặt dây đai pulley
- Đặt má ngoài của bánh đai và bậc trục trên cùng một mặt phẳng. Khi đó tải sẽ tác dụng trên phần bậc trục cũng như lên bạc đạn là nhỏ nhất
- Làm sao cho điểm tải gần phía động cơ hơn (sát gờ trục)
- Bảo vệ bánh đai.
- Kiểm tra hướng quay của động cơ và của thiết bị tải.
- Lắp đặt sao cho trục đông cơ và trục thiết bị tải song song với nhau và đường thẳng nối tâm hai bánh đai phải vuông góc với trục động cơ.
- Lắp đặt dây đai và điều chỉnh khoảng cách giữa các trục.
Cả hai phương pháp lắp đặt khớp nối và dây đai pulley đều ảnh hưởng đến hiệu suất và độ bền của Động cơ điện Toshiba IE3 0.75kW 6 Cực Mặt Bích. Việc lắp đặt đúng cách không chỉ giúp động cơ vận hành ổn định, giảm rung lắc và hao mòn mà còn kéo dài tuổi thọ thiết bị, đảm bảo hoạt động tối ưu trong mọi ứng dụng công nghiệp.

→ Tải file PDF thông số đầy đủ Động Cơ Điện Toshiba IE3: tại đây
Động cơ điện hiệu suất cao Toshiba IE3 là lựa chọn hàng đầu cho các doanh nghiệp đang tìm kiếm giải pháp tiết kiệm năng lượng, vận hành ổn định, bền bỉ và tối ưu chi phí lâu dài trong môi trường công nghiệp hiện đại.
Sản phẩm được sản xuất trực tiếp tại nhà máy Toshiba Industrial Products Asia (TIPA) – Việt Nam, với 100% vốn đầu tư từ Tập đoàn Toshiba – Nhật Bản, thừa hưởng trọn vẹn công nghệ tiên tiến, quy trình kiểm soát chất lượng nghiêm ngặt và khả năng tùy biến linh hoạt theo từng yêu cầu vận hành, thiết bị hoặc ngành công nghiệp cụ thể.
– Hiệu suất cao (IE3) – tiết kiệm lên đến 20% điện năng, giảm chi phí vận hành dài hạn
– Dây đồng 100%, bạc đạn NSK/NTN, vỏ nhôm hoặc gang – đảm bảo vận hành ổn định 24/7
– Tương thích biến tần, phù hợp các hệ thống tự động hóa
– Chống bụi, chống nước tốt với cấp bảo vệ IP55/IP56, cách điện Class F
– Dải công suất rộng từ 0.37kW đến 150kW, kiểu lắp đa dạng
⚙️ Sản xuất linh hoạt theo yêu cầu OEM:
Toshiba hỗ trợ thiết kế theo yêu cầu với các tùy chọn nâng cao như:
– Động cơ phanh từ, encoder, cảm biến nhiệt, trục inox
– Tùy chỉnh điện áp, tần số, kiểu lắp, kích thước frame
– Phù hợp cả với môi trường khắc nghiệt: nóng ẩm, ăn mòn, chống cháy nổ
🌱 Lựa chọn chiến lược cho doanh nghiệp phát triển bền vững
Động cơ Toshiba IE3 không chỉ mang lại hiệu quả kinh tế rõ rệt, mà còn giúp doanh nghiệp đáp ứng tiêu chuẩn tiết kiệm năng lượng, hướng tới phát triển xanh và hiện đại hóa hệ thống sản xuất.
🔧 Cơ khí FAMILA:
“Khi áp dụng motor Toshiba IE3 vào dây chuyền chế tạo máy, chúng tôi ghi nhận mức tiết kiệm điện 25–30%. Với nhà máy chế biến lúa gạo tiêu thụ 1–3 tỷ đồng/tháng, khoản tiết kiệm đạt khoảng 500 triệu đồng/tháng. Motor Toshiba IE3 sản xuất tại Việt Nam cũng giúp đáp ứng tiêu chí CO FORM D trong khối ASEAN.”
🌾 Nhà máy xay lúa HUỲNH DƯ:
“Sau khi nâng cấp hệ thống sang motor Toshiba IE3, nhà máy giảm chi phí điện khoảng 300 triệu đồng/tháng. Hiệu quả rõ rệt với hệ thống chạy liên tục.”
– Hoàn vốn nhanh: Thời gian hoàn vốn từ 1 đến 2 năm, tùy quy mô sử dụng.
– Hiệu suất vượt trội: Từ 93–97%, giúp giảm đáng kể điện năng tiêu thụ.
– Tiết kiệm chi phí vận hành: Giảm 10–20% tiền điện mỗi tháng tùy ứng dụng.
– Tuổi thọ vượt trội: Trung bình 10–15 năm, giúp giảm chi phí thay thế thiết bị.
– Ít bảo trì, ít hỏng vặt: Giảm thiểu thời gian dừng máy, tăng hiệu suất sản xuất.
– Gia tăng lợi nhuận bền vững: Nhờ cắt giảm chi phí điện năng, tăng độ ổn định vận hành.
– Chứng nhận chất lượng uy tín 4 năm liên tiếp (2021–2024), động cơ Toshiba được Bộ Công Thương vinh danh là Động cơ điện hiệu suất cao nhất tại Việt Nam.
– Thương hiệu toàn cầu Toshiba – Nhật Bản, với hơn 150 năm phát triển công nghệ động cơ điện, là thương hiệu được tin dùng tại hàng trăm quốc gia.
– Sản xuất tại Việt Nam Động cơ Toshiba IE3 được sản xuất trực tiếp tại nhà máy TIPA – Toshiba Industrial Products Asia, giúp chủ động linh kiện, rút ngắn thời gian giao hàng, hỗ trợ kỹ thuật nhanh chóng.

– Với hơn 14 năm phân phối động cơ Toshiba, Ngọc Tiên có đội ngũ kỹ sư và nhân viên kinh doanh giàu kinh nghiệm, tư vấn chuyên sâu, hỗ trợ kỹ thuật tận nơi.
– Chính sách bảo hành “Hạnh Phúc” Ngọc Tiên cam kết bảo hành đến khi khách hàng hài lòng – dịch vụ tận tâm, đồng hành trọn vẹn trong suốt quá trình sử dụng sản phẩm.
– Hàng luôn sẵn kho – giao nhanh toàn quốc Hệ thống kho lớn giúp đảm bảo luôn có sẵn hàng, hỗ trợ giao hàng nhanh đến tất cả các tỉnh thành, kể cả các dự án yêu cầu tiến độ gấp.

| Tiêu chí | Động cơ điện Toshiba IE3 | Động cơ IE1 thường |
| Hiệu suất | 93–97% | 85–89% |
| Tiết kiệm điện năng | Giảm 10–30% | Không tối ưu |
| Thời gian thu hồi vốn | 1–2 năm | Bình thường |
| Khả năng chịu tải | Cao | Trung bình |
| Tuổi thọ trung bình | 10–15 năm | 3–5 năm |
| Bảo trì | Ít hỏng, chi phí thấp | Bảo trì nhiều, thay thế sớm |
| Tương thích biến tần | Có | Thường không khuyến nghị |
| Giá thành | Cao hơn ~15–20% | Giá rẻ nhưng tốn điện & bảo trì |


















Phản hồi của khách hàng
“Khi áp dụng motor Toshiba IE3 vào dây chuyền chế tạo máy, chúng tôi ghi nhận mức tiết kiệm điện 25–30%. Với nhà máy chế biến lúa gạo tiêu thụ 1–3 tỷ đồng/tháng, khoản tiết kiệm đạt khoảng 500 triệu đồng/tháng. Motor Toshiba IE3 sản xuất tại Việt Nam cũng giúp đáp ứng tiêu chí CO FORM D trong khối ASEAN.”
“Sau khi nâng cấp hệ thống sang motor Toshiba IE3, nhà máy giảm chi phí điện khoảng 300 triệu đồng/tháng. Hiệu quả rõ rệt với hệ thống chạy liên tục.”
Review Động Cơ Điện TOSHIBA IE3 0.75kW 6 Cực Mặt Bích
Review Động Cơ Điện TOSHIBA IE3 0.75kW 6 Cực Mặt Bích
Chưa có đánh giá nào.
Chưa có bình luận nào